注册帐号丨忘记密码?
1.点击网站首页右上角的“充值”按钮可以为您的帐号充值
2.可选择不同档位的充值金额,充值后按篇按本计费
3.充值成功后即可购买网站上的任意文章或杂志的电子版
4.购买后文章、杂志可在个人中心的订阅/零买找到
5.登陆后可阅读免费专区的精彩内容
打开文本图片集
中图分类号:G632 文献标识码:A
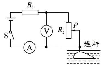
在初中物理电学教学中,动态电路的分析与计算是核心内容,也是初中电学学习的重点和难点.动态电路常涉及滑动变阻器阻值变化、开关通断、用电器工作状态变化等因素引发的电路参数改变,需要学生综合运用欧姆定律、串并联电路规律等知识进行分析[1].随着新课标中对学生科学思维与(剩余3204字)
登录龙源期刊网
购买文章
初中物理动态电路的分析与计算问题剖析
文章价格:4.00元
当前余额:100.00
阅读
您目前是文章会员,阅读数共:0篇
剩余阅读数:0篇
阅读有效期:0001/1/1 0:00:00