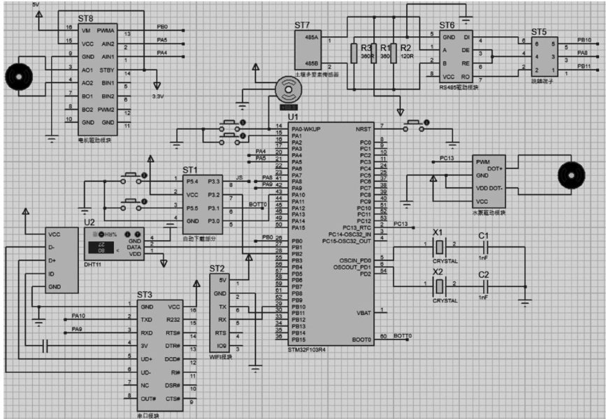
基于STM32微控制器的智慧农业环境监测识别硬件系统设计与实现

打开文本图片集
中图分类号:S126 文献标志码:A 文章编号:2096-9902(2026)04-0001-04
Abstract:Inordertodealwithproblemssuchasporeffciencyof manualinspections,uncertaintiesduetorelianceon experience,andlackofdatasupprtintraditionalagriculturalproduction,thedevelopmentofsmartagriculturehasbecomean inevitabletrendInthecontextofteboomingdigitalagiculture,wehavedevelopedanintellgenidentificationhardwarsystem basedontheSTM32microcontroler.Thissystemcanprovidedigitalinformationduringtheplantgrowthprocesstoachieve betercropqualityandincreaseproduction.Afterexperimentalverification,thesystemhasstabledatatransmission.Inthe workingmode,itcontinuouslysendsreliabledatatotheuppercomputer(server)atafrequencyof1second,anddisplaysiton thebuilt-inelectronicscreeninrealtime,allowingtheuppercomputertojudgepestsanddiseasesThedetectionenvironment provides strong data support.
Keywords: STM32; Internet of Things;smart agriculture;environmental monitoring;automation
在当今社会,科技呈现出飞速发展的态势,一种名为数字农业经济的新兴事物应运而生,并逐渐崭露头角,正在逐步改变传统农业原有的生产模式。(剩余3851字)