注册帐号丨忘记密码?
1.点击网站首页右上角的“充值”按钮可以为您的帐号充值
2.可选择不同档位的充值金额,充值后按篇按本计费
3.充值成功后即可购买网站上的任意文章或杂志的电子版
4.购买后文章、杂志可在个人中心的订阅/零买找到
5.登陆后可阅读免费专区的精彩内容
打开文本图片集
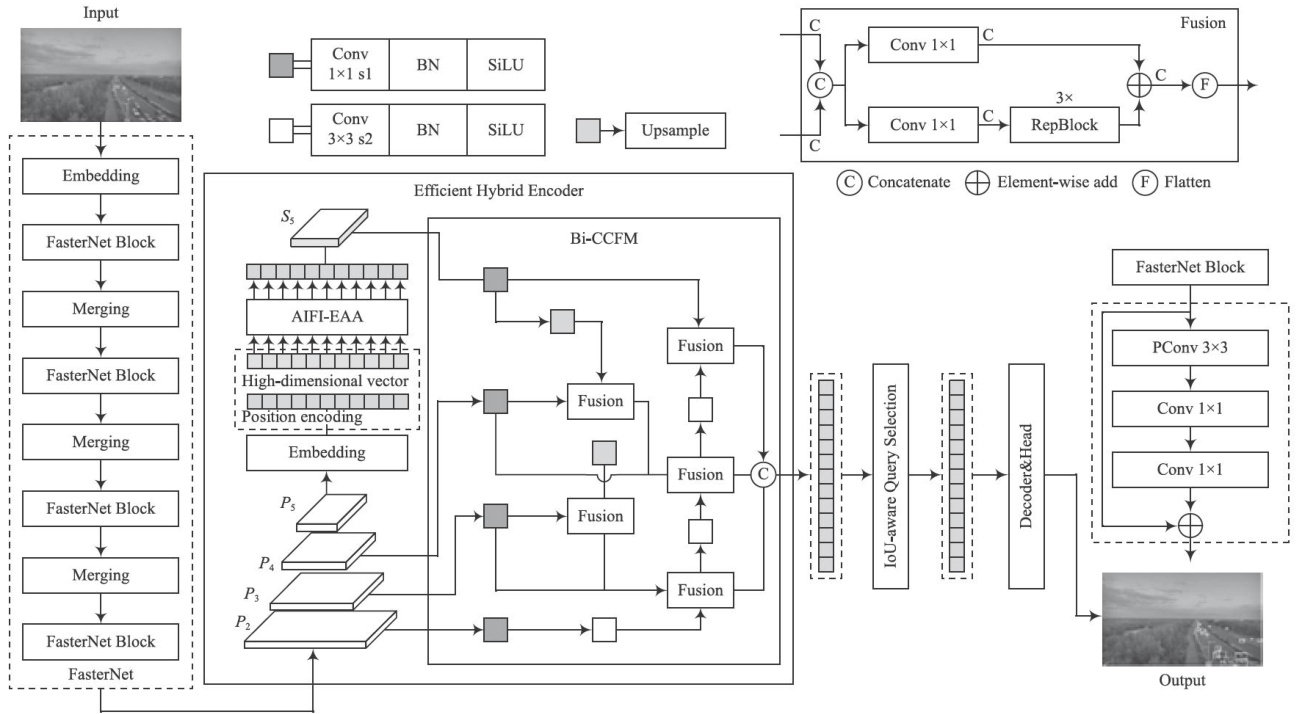
0引言
随着无人机技术的迅猛发展及其在农业监测、环境保护、灾害救援、智慧交通等诸多领域的广泛应用,无人机目标检测技术在这些应用场景中发挥着至关重要的作用[]。尽管基于无人机实时检测的应用日益广泛,但由于物体数量的多变性、俯拍视角的多样性、复杂背景干扰以及小目标与周边物体(如小型动物、路灯、建筑物等)易于混淆等问题,实现精确检测和实时性仍然是一项重大挑战。(剩余6784字)
登录龙源期刊网
购买文章
改进RT-DETR的无人机航拍图像小目标检测研究
文章价格:5.00元
当前余额:100.00
阅读
您目前是文章会员,阅读数共:0篇
剩余阅读数:0篇
阅读有效期:0001/1/1 0:00:00