多源激励下磁悬浮轴承-转子系统振动协同控制研究

打开文本图片集
关键词:主动磁悬浮轴承;磁悬浮转子;多源激励;协同控制;主动控制 中图分类号:TH133.3 文献标志码:A DOI:10.16385/j.cnki.issn.1004-4523.202401029
Vibration collaborative control of magnetic bearing-rotor system under multi-source complex excitation
YANG Tianshu',WU Huachun1²,YANG Fei',QIAN Zixuan', LIU Zenghui' (1.School ofMechanical and Electronic Enginering,Wuhan Universityof Technology,Wuhan 43oo7o,China; 2.Hubei Provincial Enginering Technology Research Center for Magnetic Suspension,Wuhan ,China)
Abstract:Activemagneticbearingshavebeenwidelyusedinvariousindustrialfieldsduetotheiruniqueadvantages.Comparedtomaglev equipmentonfixedbases,maglevequipmentonmovingcaierssuchasshipsissubjecttomulti-souceexciatinssuchasfoudation motion,otorubalaneforc,andetealdisturbanceseseexcitatiosarrasmitedtoequipmentbdytoughearngsbases, andtheirsupports,inducingstructuralvibrationoftheequipmentbodyHence,theresearch isconductedonthedynamicmodelingand vibrationontrolof temageticbearigrotorsytemundermuli-souceexcitationAdnamicmodelofthemagneticbearingotorsystem consideringmultisourcexcitationisestablishedandanadaptiecollborativecotrolmetodfovibrationoftemagneticbearingotor systemuderultisoueecitatioisproposdAnexperimetalplatfofortemageticearigotrsteuderul-soueiatio isonstructedandoughexpimentaleseachhepropedbrationcotroletodithultisouecomplexeiatioisd
Keywords:activemagnetic bearing;maglevrotor;multisource incentives;collborativecontrol;active control
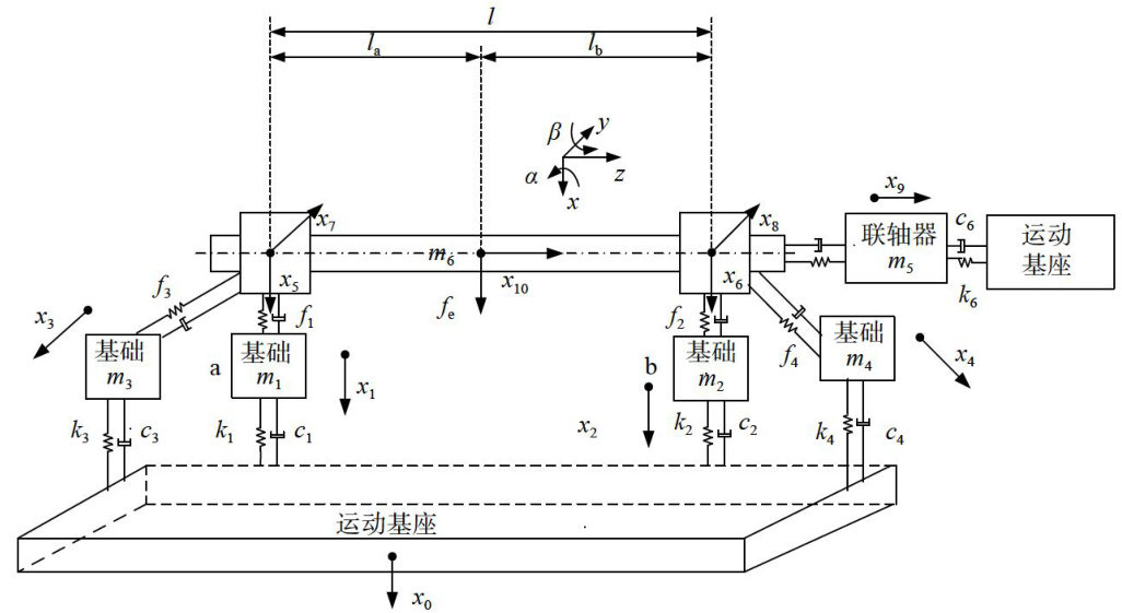
主动磁悬浮轴承(activemagneticbearing,AMB)因其具有无接触、免润滑、低噪声、支承刚度与阻尼在线主动可控可调等优点,被广泛应用于流体机械、武器装备、飞轮储能等领域[1-2]。(剩余7781字)