注册帐号丨忘记密码?
1.点击网站首页右上角的“充值”按钮可以为您的帐号充值
2.可选择不同档位的充值金额,充值后按篇按本计费
3.充值成功后即可购买网站上的任意文章或杂志的电子版
4.购买后文章、杂志可在个人中心的订阅/零买找到
5.登陆后可阅读免费专区的精彩内容
打开文本图片集
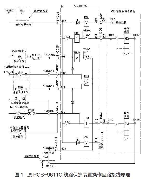
摘要:结合某水电站具体工程案例,通过对PCS-9611C线路保护装置操作回路ZW17-40.5型户外高压真空断路器操作回路连接的完整动作过程分析,提出了在断路器操作把手置于就地且发生故障情况下,不能实现由保护装置动作发出跳闸信号操作断路器及HWJ继电器不动作的问题,并对这一问题提出了防范措施和建议,在工程实践中对于保护电气设备安全具有积极意义。(剩余4191字)
登录龙源期刊网
购买文章
断路器操作回路在工程中的应用分析和改进建议
文章价格:4.00元
当前余额:100.00
阅读
您目前是文章会员,阅读数共:0篇
剩余阅读数:0篇
阅读有效期:0001/1/1 0:00:00