注册帐号丨忘记密码?
1.点击网站首页右上角的“充值”按钮可以为您的帐号充值
2.可选择不同档位的充值金额,充值后按篇按本计费
3.充值成功后即可购买网站上的任意文章或杂志的电子版
4.购买后文章、杂志可在个人中心的订阅/零买找到
5.登陆后可阅读免费专区的精彩内容
打开文本图片集
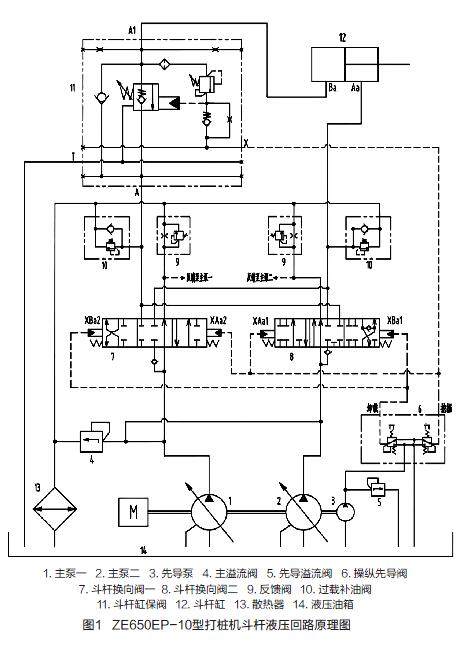
摘要:针对打桩机斗杆挖掘动作异常故障,讲述整机斗杆挖掘液压回路的原理,分析故障原因。经过对多个可能引起故障点位的排查调试,清洗阀内元件,调试验证,之后故障解除。
关键词:打桩机;斗杆缸;保持阀;憋车
1 故障现象
根据客户反馈,一台ZE650EP-10型打桩机在做斗杆挖掘动作时,明显偏慢,且斗杆缸保持阀存在刺耳的异响,同步出现发动机“憋车”故障。(剩余2186字)
登录龙源期刊网
购买文章
ZE650EP-10型打桩机斗杆挖掘动作异常故障维修
文章价格:3.00元
当前余额:100.00
阅读
您目前是文章会员,阅读数共:0篇
剩余阅读数:0篇
阅读有效期:0001/1/1 0:00:00