工程机械与维修

工程机械与维修

2022年04期
  • 收藏
收藏成功
微博 空间 微信
综合性权威刊物。本刊集指导性、信息性、技术性、实用性于一体工程机械行业的刊物。

类型

月刊

类别

学术
定价
促销信息
全年订阅更优惠!
¥10.00 ¥30.00
目录

视点·视野

基于装载机行业的经销商命运共同体体系建设
1 背景 1.1 国家制造强国战略实施的必然要求 目前,世界各国积极发展制造业应对产业竞争。“十三五”期间,在央地政府支持和企业转型升级的双重驱动下,全国引发智能制造热潮,制造业企业纷纷对原有工厂/车间进行自动化、数字化、网络化升级...
中联重科发布全球首台纯电动越野轮胎起重机
重器来袭,“绿”动未来,中联重科又创世界纪录!近日,中联重科发布了全球首台纯电动越野轮胎起重机——ZRT400-EV,这是继发布全球首台纯电动汽车起重机和全球首台混合动力全地面起重机后,中联重科又一次创造历史,展现出其新能源技术领先世界的水...
高速公路改扩建之阶梯铣刨利器维特根CF系列中型铣刨机亮点
随着我国经济发展,原有很多高等级公路已不能满足日益增长的交通流量要求。近年来出现了越来越多的高等级公路改扩建项目,在这类改扩建项目中,按照工艺要求在老路和新路的拼接处,从基层、结构层到面层需要铣刨出错层台阶,以避免后续摊铺压实接缝到一个立切...

技术·维修

工业炸药现场混装车机电设备面临问题与解决方案
摘要:目前工业炸药现场混装车的相关技术,部分来自于厂房式炸药生产工艺技术和设备技术,而相关安全技术的研究主要集中在生产工艺技术、施工操作规程、爆破工程技术上,而对车载机电设备的相关安全技术问题关注度则相对较低。车载型设备与普通工业设备具有一...
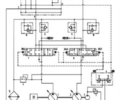
ZE650EP-10型打桩机斗杆挖掘动作异常故障维修
摘要:针对打桩机斗杆挖掘动作异常故障,讲述整机斗杆挖掘液压回路的原理,分析故障原因。经过对多个可能引起故障点位的排查调试,清洗阀内元件,调试验证,之后故障解除。 关键词:打桩机;斗杆缸;保持阀;憋车 1 故障现象 根据客户反馈,一台ZE...
基于Ramsis的四级全自由门架叉车驾驶员视野分析
摘要:基于配装四级全自由门的2.5t叉车,运用RAMSIS 软件对其驾驶员视野进行分析,并对分析结果进行评价。对不满足要求的地方提出改进意见,在产品设计阶段对其进行修正,保证驾驶员视野达到最佳效果。同时对不足之处进行总结,将设计经验用于后续...
纸业用叉车门架结构优化
摘要:用于造纸和废纸回收行业叉车,由于物料堆放比较凌乱,使门架液压缸上的回油管容易被损坏,暴露在外面的高压胶管、接头等也容易因受到杂物碰撞而损坏。针对于此,将外门架上横梁总成采用框架式结构,增加门架抗变形能力。倾斜液压缸支座与中横梁连接再连...
浅谈塔机使用中的安全管理
摘要:塔机在作业过程当中工作强度较大,受力情况较为复杂,危险系数较高,加之工地现场施工环境复杂多变,设备操作人员安全意识淡薄,日常设备巡检维护保养不不到位等不利因素,造成塔机极易出现安全隐患,引发安全事故,从而带来不可估量的经济损失和社会影...
建筑设备维修再制造无损检测技术研究
摘要:经济的发展推动了建筑技术进步,建筑施工过程中使用的机械设备种类越来越复杂,很容易出现设备故障,急需进行设备维修,因此研究建筑设备维修再制造无损检测技术很有必要。使用超声探测法检测建筑设备维修再制造缺陷,进行裂缝渗透检测,基于X射线法设...
建筑垃圾的分拣处置环节研究
摘要:针对建筑垃圾的原料特性和产品需求,设计符合生产需求的人工分拣处置环节,并对分拣处置环节在实际生产中出现的问题做针对性地分析研究,并阐述优化设计方案。新工艺布置使物料布料更加均匀,不宜堵塞溜槽,降低了投资成本。研究成果可为建筑垃圾资源化...
电缆拖带的优势及其在斗轮机上的应用
摘要:斗轮堆取料机是用于散货码头将散货物从传输皮带上运输到堆场,以及将堆场物料通过斗轮取料到传输皮带上的一种港口起重机。对斗轮堆取料机结构进行简要介绍,对斗轮机4种移动供电形式进行对比。对拖带装置的优势进行分析,并将其应用在项目上。实践证明...
熨平板结构件榫卯工艺研究
摘要:对熨平板结构件和榫卯结构间隙进行分析,对熨平板前板等结构件进行榫卯方案设计,并实施榫卯工艺切换,实现熨平板结构件铆焊效率的提升。 关键词:榫卯;结构件;熨平板;前板 1 榫卯结构概述 传统的榫卯定义为木质器物制件起连接作用的一种结...
一种配重型高驱推土机后牵引保护装置设计与应用
摘要:高驱动推土机在荷塘修复、灌木丛林、开采矿山作业过程中,履带常被泥土、塑料袋、荆棘、树根、石块等杂物缠绕、挤压,由此导致其使用寿命缩短,甚至引起履带及内部的涨紧装置损坏。针对于此,设计了一款配重型高驱推土机后牵引保护装置。该装置集三种功...
基于ADAMS的门座起重机动力学建模与仿真
摘要:以某型号门座起重机为研究对象,运用多体动力学分析软件ADAMS建立其虚拟样机模型,并从模型的自由度验证、理论计算结果与软件计算结果对比等两个角度来验证模型的合理性,在此基础上对其臂架系统在空载、吊载工况下的变幅过程进行动态仿真分析,得...
浅谈数控铣削薄壁类零件加工工艺
摘要:在数控技术高速发展的今天,零件设计加工难度越来越高,薄壁类零件便是其中之一。针对一款薄壁类外壳加工时遇到的困难,通过对夹具的制作、刀具的选用、切削参数的调整等做了深入的研究,成功地解决了问题,可为以后这类零件的加工提供参考。 关键词:...
某30t级挖掘机动臂前支座铸钢件失效分析
摘要:针对某30t级挖掘机动臂铸件前支座在使用过程中发生多次断裂失效故障,通过对断裂前支座的断口进行宏观分析,结合对失效铸钢件断口处金相组织、化学成分及机械性能检测,确定前支座的断裂性质和原因。经过分析能够确定,此失效故障为典型疲劳断裂。前...
大型进口矿用挖掘机铲斗及其附属件国产化改造
摘要:铲斗是挖掘机的工作装置,直接接触岩石与矿石,作业过程中不断受到反复的摩擦与冲击。挖掘机型号的不同,铲斗的结构、尺寸也不同,同时需要周转铲斗及其附属件的数量和种类也较多。采购原厂铲斗及其附属件,外协制作维修铲斗,费用高、库存大,且外委维...

用户·施工

基于承载比试验下隧道弃渣水泥碎石基层的工程特性研究
摘要:将隧道弃渣用于高速公路基层填筑中,不仅可节约资源,而且会降低施工成本。且在隧道弃渣碎石中添加一定量水泥,有利于提高弃渣混合料的整体强度。以乌尉高速公路路基试验段为工程背景,通过承载比试验,对不同水泥含量及养护时间下隧道弃渣混合料的路用...
水泥混凝土施工技术在市政路桥施工中的应用探究
摘要:路桥工程作为市政基础设施的重要构成部分,对于提升市政道路通行质量有着至关重要的作用,同时也直接关系到市政道路通行安全。水泥混凝土施工技术是现阶段市政路桥工程施工中最为核心的构成部分,对于提升市政路桥工程质量起到至关重要的作用。结合具体...
衬砌防裂施工技术在铁门坎隧道工程中的应用
摘要:隧道衬砌裂缝是隧道的常见质量缺陷,若裂缝未及时得到妥善的处理,易诱发渗漏水、结构失稳甚至坍塌等问题,因此以科学可行的方案防止隧道衬砌裂缝至关重要。以铁门坎隧道进口大跨段隧道工程实例为依托,着重分析衬砌防裂施工技术,阐述在初期支护设置、...
单侧悬臂挂篮技术在桥梁施工中的应用研究
摘要:单侧悬臂挂篮技术作为桥梁施工的一类重点施工技术,以其特有的优势特征,实现了常规桥梁施工方式的创新。在实际桥梁施工中应用单侧悬臂挂篮技术,既可实现桥梁建设结构的合理性提升,还能简化实施工序,加速桥梁施工进度,节省成本支出。其在满足桥梁实...
格宾石笼施工技术在水利工程建设中的应用研究
摘要:格宾石笼是水利工程生态护坡的常见结构形式,对维持岸坡稳定有重要意义。阐述格宾石笼的关键作用,再结合永清县生态岸坡及景观修复工程实例,探讨关键的施工流程以及具体的技术应用要点,提出格宾石笼的质量检验方法以及在实际施工中注意事项,以期起到...
轨道交通薄壁墩连续刚构研究
摘要:轨道交通高架桥梁在城市中应用日益增多,桥梁结构在满足结构安全要求外,对景观要求日益增高。等高薄壁墩连续刚构具有结构纤细、美观等特点,在城市轨道交通高架区间中具备很好的适用性。结合工程实例,具体分析研究4×35m等高薄壁墩连续...
适用高寒高海拔地区沥青混合料路用性能试验研究
摘要:当前使用较多的改性沥青混合料主要有橡胶粉及SBS两种,故而采用实验的方式,对基质沥青混合料、上述两种改性沥青混合料各自路用性能进行对比分析,从中选择更加适用于高寒及高海拔地区的沥青混合料。 关键词:高寒高海拔地区;沥青混合料;路用性能...
泥岩地层盾构施工技术
摘要:针对南京地铁五塘广场站到窑上村站区域隧道盾构施工,在介绍工程概况的基础上,提出该工程隧道盾构的理论参数,阐述隧道盾构过程及其实际参数、同步注浆和二次注浆的要点,分析管片上浮原因并提出控制措施,可供地铁隧道工程施工技术人员参考。 关键词...
盾构隧道施工对临近桩基变形的影响
摘要:以某盾构隧道工程为研究对象,利用有限元软件,建立盾构隧道和高架桥桩基模型,进一步研究分析盾构隧道的施工对高架桥托换桩基变形的影响。研究表明,桩洞距对地表沉降的影响较小,由于托换桩基承台的作用,地表中心位置处的沉降较小,在边缘位置出现明...
考虑支撑结构验算的连续刚构桥梁0号块悬浇施工技术研究
摘要:为了克服传统连续刚构桥梁0号块悬浇施工效率低、造价高的缺点,提出了考虑支撑结构验算的连续刚构桥梁0号块悬浇施工技术。以连续钢构桥梁主拱圈的1/4截面为例,计算连续钢构桥梁主拱圈的截面面积,根据连续钢构桥梁主拱圈箱型截面面积变化情况,计...
铁路工程概算清理的措施
摘要:铁路工程概算清理作为确定和控制铁路工程投资的重要环节,对参建各方都有着重要意义。对于施工单位来说,清理概算主要是收集、整理和清概有关的各种原始资料,上报设计单位和建设单位,对完成的全部清概项目进行确认。对施工单位的清概工作流程进行了梳...
基于通径分析的公路工程造价影响因素分析
摘要:以通径分析理论为基础,将此理论与公路工程造价的影响因素分析过程结合起来,并借助具体的工程实例,对此类因素进行具体的分析和探索,明确各类影响因素对公路工程造价的影响程度,为公路工程造价工作提供一定的指导和参考。 关键词:通径分析;工程造...
生态联锁块护坡在某航道整治工程中的应用
摘要:较传统护坡相比,生态联锁块护坡具备结构稳定性好、适用范围广、材料易获取、维护便捷、经济耐用等众多特点优势,并且其在起护坡、防护作用的同时,集生态修复、水体净化、坡面装饰于一体,是一种新型的多功能生态护坡工艺。结合某航道整治项目实际,就...
建筑外墙外保温系统节能技术及施工工艺
摘要:随着我国建筑工程的不断进步,其环保性得到了社会的广泛关注,建筑外墙外保温系统能够起到良好的保温隔热节能的效果。针对外墙保温系统的应用概述进行了简单的介绍,然后针对实际工程对外墙外保温的施工工艺展开了详细的探讨,希望能够为提升我国外墙外...
大跨度铁路V撑连续梁桥施工研究
摘要:以某V形支撑桥梁为研究对象,通过有限元分析软件Midas Civil进行建模分析,对该桥梁的施工控制、V撑拆除时机以及连续梁合拢方案进行探讨。研究结果表明:从V撑受力以及线形的角度出发进行考虑,应在成桥后拆除临时支墩;先同时合拢两中跨...
大跨径连续桥梁施工技术研究
摘要:为了提高大跨径连续桥梁的施工质量,结合工程实例,对某大跨径连续桥梁工程施工中的塔机安装、基础施工、承台施工、钢筋施工、混凝土施工、预应力筋张拉、压浆封端等施工工艺和施工技术进行了总结和分析。对其进行应力监测分析,结果表明桥梁结构处于受...
公路沥青路面振荡压实技术的应用实践研究
摘要:沥青路面的施工质量直接影响到公路最终的使用寿命。在沥青路面施工环节当中,振荡压实技术则是对整体路面压实度具有决定性影响重要因素。基于公路沥青路面施工中的振荡压实技术原理进行分析,全面阐述影响振荡压实效果的因素,进而结合实际工况对压实度...
钢纤维混凝土施工技术在路桥施工中的应用分析
摘要:钢纤维混凝土施工技术是当前路桥施工当中常用的一种技术,与普通的混凝土相比,它通过对钢筋铺设、模板安装、钢纤维混凝土配比等进行优化处理,达到更高的抗拉强度,同时其抗弯强度、抗剪强度和抗压强度都有着明显提高。结合实际的工程案例,分析钢纤维...
公路工程施工中的混凝土抗压强度检测分析
摘要:以S101线硫磺沟至雀儿沟镇段公路工程项目为背景,在此施工过程中,通过回弹法对混凝土的强度进行了检验,并对影响混凝土抗压强度的影响因素进行了分析,明确了回弹法的适用范围,并进一步采取相应的优化措施,目的在于进一步增强回弹法检测的准确性...
公路盖板涵施工及质量控制分析
摘要:针对公路涵洞工程中的盖板涵施工技术展开分析,根据工程案例,分别从施工放样、基础施工、墙身施工、盖板施工等部分阐述盖板涵施工技术,再通过相应的质量控制措施提升涵洞工程盖板涵施工技术水平。 关键词:公路工程;盖板涵;施工技术;质量控制 0...
既有建筑单元式幕墙改造研究
摘要:针对部分既有建筑物的外幕墙出现的功能缺陷、安全缺陷、幕墙烂尾等问题,需要对既有建筑单元式幕墙进行改造。进行建筑单元式幕墙核心连接点定位,满铺钢板网的同时,采用双向塔式部署完成单元式幕墙改造。实例分析表明:与改造前相对比,改造后的单元式...
关于风动车卸砟施工安全技术措施的探讨
摘要:为确保铁路运输安全畅通、线路设备质量稳定和风动车卸砟施工安全,从风动车卸砟施工的实际情况出发,分析风动车卸砟施工工作重点,并在此基础上提出风动车卸砟施工过程控制、工作要求、安全措施、注意事项、应急处理等安全技术措施。 关键词:铁路运输...
液氮冻结技术在盾构隧道土体加固中的应用
摘要:为了解决地下水发育的强透水砂砾层条件下,盾构常压开仓施工地层加固和止水问题,以某区间隧道为例,在分析场区基本施工现状基础上,基于液氮人工冻结技术,对盾构常压开仓所需的土层加固范围和强度进行计算,并对加固效果进行监测。研究结果表明:冷冻...
基于顶推法拆除下行式移动模架施工技术
摘要:依托卧虎沟河特大桥下行式移动模架拆除工程实例,提出了采用顶推法拆除和汽车起重机配合整体吊架同步下放,拆除主梁、横梁、导梁以及翼缘板、底板、腹板模板的施工技术。利用设备自身构件性能和主桥及主栈桥的功能,只需在移动模架后吊架处安装行走装置...
盖挖法“永临结合”钢管柱的选型与设计研究
摘要:在地铁基坑工程中,钢管柱作为暗(盖)挖法施工中的重要支撑构件,其受力及变形直接影响着结构体系的稳定性以及暗挖施工的安全性。以天津地铁10号线一期工程昌凌路站为工程背景,采用理论计算的方法,对“永临结合”钢管柱与扩盘桩的承载力和变形特征...
基于二次移动平均法的管廊结构应力预测
摘要:为解决受地裂缝影响的地下综合管廊安全控制问题,以某地下空间综合管廊工程为研究载体,基于二次移动平均法,对受地裂缝活动影响的综合管廊结构最大主应力构建模型,并进行应力预测分析,验证该方法的有效性。结果表明:采用二次移动平均法进行结构应力...
软土条件下高层建筑复合地基沉降长期预测算法
摘要:深入分析软土复合地基特征,以此为基础,探究软土复合地基沉降原因,采用关系图描述软土复合地基沉降过程。应用灰色理论推出软土复合地基沉降长期预测算法,将实测数据输入至推出算法中,即可获得软土复合地基沉降长期预测结果。实验数据表明:提出算法...
浅埋大断面地铁车站双侧壁导坑暗挖施工技术研究
摘要:城市地铁工程具有周边环境复杂、浅埋、围岩稳定性差等特点,双侧壁导坑暗挖法以新奥法基本原理为依据,将大断面分成若干个小端面,根据设计步距将每个小端面单独开挖封闭成环,最后形成大断面。以长沙地铁6号线某公园浅埋大断面地铁车站为工程背景,对...
基于MIDAS大跨度刚构桥施工关键技术分析
摘要:受地形地貌条件限制,我国山区公路建设工程中大型设备进入现场比较困难,施工条件艰难。以山西省某山区桥梁工程建设为例,通过采用83m高桥墩结合“72m+130m+72m”大跨连续刚构桥缆索吊与塔机配合施工技术,合理、有效的解决了桥梁施工作...
基坑二次开挖排桩支护体系承载性状研究
摘要:以弗里敦行政综合大楼的基坑工程为研究对象,通过模型试验对基坑二次开挖排桩支挡体系的承载特性分析,探究了新增支护桩桩间距改变下对组合支护体系承载特性的影响。试验结果表明:相比于新增支护桩,既有支护桩的桩顶位移随着基坑开挖深度的增加而增大...
泸州先市大桥缆索吊装计算分析与监测
摘要:对泸州先市钢管混凝土拱桥吊装进行设计和分析,拱肋节段安装采用“两点抬吊、正吊正扣”的无支架缆索吊装方案,建立Ansys空间杆系模型对缆索开展分析。对索塔塔架连接形式进行选型分析,建立Midas模型模拟拱肋吊装阶段的施工。采用GNSS对...
T型梁板安装GPS快速精确定位施工技术
摘要:GPS快速测量定位技术通过偏距测量确定出边梁板的位置,进而完成梁板安装定位。GPS快速测量定位技术克服了斜弯道、曲线和变宽段桥梁平面位置不易计算和精度不易控制的问题,大大提高了梁板安装精确度,可使梁板的安装速度大大提高,减少了设备安装...
现浇连续梁转体施工主梁变形分析
摘要:转体施工在跨越山川、河流、既有线路或既有建筑等障碍物时应用广泛。结合虞城特大桥连续梁转体施工工程实例,针对该桥转体施工过程中主梁的变形特点进行分析。首先确定主梁的设计参数以及施工工艺,然后建立该梁的有限元计算模型,得到阶段梁体变形和关...
干成孔旋挖桩技术在两河口水电站消能区的应用
摘要:以两河口水电站下游泄洪消能区左右两岸钢筋混凝土干成孔旋挖桩施工为背景,详细的介绍了干成孔旋挖桩施工工艺和要求,可为类似工程旋挖桩施工提供参考。 关键词:旋挖桩技术;干成孔;施工工艺;施工要求 1 工程概况 两河口水电站下游泄洪消能...
道路桥梁混凝土施工要点探析
摘要:道路桥梁工程作为我国重要基础设施之一,是促进经济发展、建立各地区彼此间实时联系的重要保障。混凝土工程是道路桥梁施工期间的关键性施工环节,其质量直接影响着道路桥梁工程整体建设水平。基于这一思考,分别从模板设计、混凝土制备、浇筑与振捣、混...
高海拔小半径曲线上跨既有高速钢箱梁顶推施工技术
摘要:顶推施工在桥梁工程中比较常见,为了保证顶推施工的质量和安全,首先确定了小曲线半径桥梁的节段划分及顶推施工工艺流程。采用数值模拟软件对顶推施工过程进行预演,确定导梁前端最大下挠为-565.1mm,最大应力值为370MPa。鉴于导梁与钢箱...
复杂地基深基坑岩土工程勘察技术分析
摘要:良好的工程勘察是确保其后续施工方案设计、施工技术应用和施工质量控制的关键。以长沙市梦想·天悦项目中的北地块深基坑岩土工程勘察项目为实例,对复杂地基条件下的深基坑岩土工程勘察技术进行分析,具体包括本次所研究的工程概况,复杂地基...
轨道交通高架车站结构高支模的施工技术分析
摘要:重庆轨道交通18号线土建九标跳磴南站具有跨度大、梁体结构形式复杂多样、结构预留孔洞多等特点,工程采用承插型盘扣式支架和木模板相结合的方式,共同构成适用于主体结构施工的支撑体系。对该高架车站工程的高支模施工技术展开分析,在结构形式对比分...
不良地质下的敞开式TBM设备设计改造与应用
摘要:新疆某工程敞开式TBM在掘进过程中突遇不良地质,由于大量破碎围岩进入刀盘引起“卡机”,且撑靴处出现塌方,无法提供推进反力。为有效解决此类问题,增加钢管片支护设计,对敞开式TBM原有刀盘驱动、护盾、辅助推进、钢管片拼装器、超前钻注一体机...
公路施工中沥青路面压实过程控制
摘要:路面压实过程与公路实际质量有直接关系,但是在实际施工过程中,会由于路面压实过程中的控制不足,从而导致路面的质量和使用寿命降低。基于这一现状,对公路施工中沥青路面压实过程控制进行分析,以有效促进公路沥青路面的施工质量。 关键词:公路施工...
超高层建筑地下室底板大体积混凝土施工关键技术
摘要:为了解决高强大体积混凝土的配置和浇筑难题,从工程实际出发,从高强混凝土原材料性能要求出发,分析了各成分基本参数。在此基础上,针对大体积混凝土浇筑存在的施工风险,从浇筑、振捣、养护和监测等方面进行了具体分析。同时对大体积混凝土浇筑因水化...
尼日利亚伊卡铁路Minna至Kaduna段线路走向方案研究
摘要:根据本项目的功能定位,结合区域路网的现状和规划,综合分析沿线主要经济据点、城镇分布及地形、地质条件,确定线路方案研究的总体思路。从尼日利亚地理位置分析,区域内Minna、Abuja和Kaduna呈三角形分布,Abuja为尼日利亚的首都...
公路路基水敏性软岩改良土力学特性研究
摘要:以水敏性软岩高填方路基工程为背景,对公路路基的水敏性软岩开展承载比和回弹模量试验。研究了不同条件下掺灰率、含水率等参数的影响规律,主要得到以下结论:当含水率较低时,击实功的增加能显著提升改良填料的压实度;随着含水量的增加,这种影响逐渐...
BIM技术在超高层建筑中的综合应用策略
摘要:现阶段我国部分超高层建筑存在信息传递割裂和各参建方协同管理效率低等问题。鉴于此,以实际工程为依托,利用BIM技术可视化、模拟性和协同作业的优点,探索BIM技术在超高层建筑深化设计、碰撞检查、模拟施工交底和物料追踪中的应用,以期为类似超...
浅谈公路路面快速检测技术的应用
摘要:公路工程项目路面的施工质量,关系着整体工程项目优劣,同时也与行驶车辆的安全性密切相关。为了保证使用期间路基、路面的质量,对其进行定期检测必不可少。根据检测结果,进行预防性养护设计以及公路性能预测,可为具体的公路路面的养护决策以及路面检...
大跨度连续组合钢箱梁预制施工技术
摘要:以某桥梁项目作为案例,对大跨度连续组合钢箱梁预制到搭建等诸多技术环节进行了分析,确保连续箱梁从结构大小、外观形制符合项目规范,可为今后其他类似项目施工提供经验参照。 关键词:连续箱梁;预制加工;精密控制;技术管理 1 工程概况 某...
桥梁工程薄壁空心墩施工技术研究
摘要:桥梁工程项目施工经常受到施工地质条件、施工环境以及各种施工技术等因素的影响,对施工单位提出了更高的要求和标准,特别是高速公路桥梁薄壁空心墩的施工,对施工质量的控制要求更为严格。基于此,以某工程实例为研究对象,对该高速公路桥梁的薄壁空心...
基于短线匹配法墩顶箱梁固结安装技术
摘要:依托伏牛溪站至金鳌山站高架区间桥梁工程,在箱梁节段底板与墩顶截面尺寸相当,无多余的可供调位千斤顶安装位置的情况下,设置箱梁体外调位装置后,利用墩旁托架及箱梁体外支架进行安装调位。在箱梁节段预制时底板作镂空处理,墩顶预留钢筋可以伸入箱梁...
浅谈滨江地区软土条件下超大深基坑支护设计与施工质量控制要点
摘要:滨江地区地质条件复杂,一般具有水位高、渗透系数大、土质软弱等特点,以当涂县滨江四期一组团项目基坑工程实施案例,对超大深基坑支护体系设计及双轴深搅桩、灌注支护桩+高压旋喷止水帷幕、高压旋喷土钉等关键技术的施工质量控制要点进行了论述,为后...
浅析公路工程项目造价控制管理及其问题分析
摘要:国内外对造价管理的研究成果较多,全过程造价控制的管理理论相对比较成熟,在工程项目中运用的成果也比较丰富。本文论述全过程造价控制理论在实际工程的应用过程和方法,用以验证该管理方法的有效性。 关键词:公路工程;造价控制;施工阶段;控制措施...
沥青混合料导热系数测试装置研制
摘要:基于一维稳态传热情况下的单平板保护热板法,自主研发设计了沥青混合料单防护热板法导热系数测试装置。对测试装置的热板、护板、冷板以及保温结构等进行设计;采用Fuzzy PID与二分法相结合的方法控制加热功率,以实现热板温度的精确控制;基于...
无轨液压衬砌台车在隧道施工的设计与应用
摘要:衬砌台车是隧道施工中较常见的施工设备,利用无轨液压衬砌台车液压控制功能及整体钢板可伸缩功能配合隧道施工,可实现机械的径向收缩和竖直起降,完成隧道横洞的一体式分层衬砌振捣及整体单次成型浇筑,能有效提高隧道衬砌质量效果和施工效率,减少材料...
浅谈高速铁路四电集成系统施工工艺
摘要:所谓高速铁路“四电”系统,其实就是指在高速铁路运行系统中通信、电力、电气、信号四个系统的统称。此系统在高速铁路的运行中发挥着极其重要的作用,是高速铁路实现速度目标、安全目标以及保证高速列车正常运行的系统,发挥着不可替代的作用。基于此,...
混凝土桥梁裂缝原因分析及养护技术措施探析
摘要:为了有效控制混凝土裂缝病害,提高桥梁的强度指标,要充分掌握桥梁裂缝的常见类型,了解其形成原因,针对不同的混凝土裂缝采取相应措施加以处理,降低裂缝发生率。同时也要加强桥梁工程的养护措施,预防桥梁裂缝病害。基于此,就桥梁裂缝的形成原因进行...
高速公路采空区复杂地质处理与综合治理技术的研究
摘要:关停煤炭开采矿区的采空区会对地面建筑造成很大影响,针对复杂地质条件下高速公路采空区处理综合技术的一系列研究进行技术提炼,形成了以“采空区勘测钻检一体化设备安装及使用方法”、“多孔自动定位数控钻孔注浆的施工方法”、“优化的复杂地质条件下...
高层建筑钢结构装配式施工技术运用
摘要:钢结构装配式施工技术是通过一种优化方式、集约式管理体系,实现高层建筑各个阶段的架构设计、吊装组合,以有效提升施工质量、施工效率等。通过对高层建筑钢结构装配式施工技术运用进行分析,系统全面解析装配式施工技术的施工要点、创新理念等,并阐述...
新疆高速公路预防性桥梁养护专项研究
摘要:为解决新疆高速公路大量的既有桥梁预防性养护问题,以G30乌鲁木齐-奎屯段桥梁预防性专项养护为研究对象,采用现场调研的方式分析桥梁不同部位的病害情况,采取分级整治措施,并运用超声波法对养护整治效果进行监测。结果表明,采用超声波检测技术可...
配电室消防系统的优化选择及施工方案的分析研究
摘要:为提高配电室运行安全,确保配电室发生火情时能够在第一时间实现灭火和救援,开展对配电室消防系统的优化选择及施工方案的分析研究。在明确配电室基本工况后,通过对4种消防灭火系统进行灭火性能对比和设计计算,选择将七氟丙烷灭火系统作为配电室中的...
浅覆盖层低桩承台钢套箱下放施工技术
摘要:基于浅覆盖层裸岩自身强度高,封底混凝土将钢套箱和岩层结合紧密后可起到止水和抗浮作用的特点,利用现有桩基成孔设备代替专业开槽设备进行钻孔开槽施工,套箱就位后利用单根导管浇筑槽内水下封底混凝土,抽水后干处清理堰内裸岩河床。将全断面清基大部...
公路沥青路面的常见病害及养护技术分析
摘要:沥青是公路建设中比较常用的材料,在正式投入使用后,只有定期做好维修与养护工作,才能保证路面的荷载力,提高通行的安全性。公路路面长时间受到车辆的压力,容易出现不同的病害问题,常见的有裂缝、车辙、沉陷等情况,直接影响公路的使用寿命。为此,...
钻孔灌注桩大直径钢护筒精准定位与安装技术
摘要:通过钢护筒定位纠偏装置、旋挖钻头以及十字叉架拧管器下放钢护筒,实现了旋挖出土和钢护筒跟进护壁循环作业,提升了钻孔灌注桩钢护筒的定位精度和安装施工效率。利用定位平台的四角定位孔确定了桩基中心点,实现了钢筋笼的精准下放。利用钢筋笼吊架安装...
TBM隧道岩爆机理及预防措施研究
摘要:运用TMB施工时,遭遇到岩爆地质灾害的状况概率极大,由此导致TMB损坏、报废的事故时有发生,严重时甚至造成人员伤亡事故。岩爆对施工的安全隐患极大,为了预防并减少TMB隧道掘进过程中岩爆的发生,通过对岩爆发生的特点、条件进行阐述,并对T...
基于大型高扬程电力提灌工程的泵站综合自动化监控系统研究
摘要:综合某电力提灌工程泵站综合自动化监控系统的具体运用,对高扬程提灌工程泵站综合自动化监控系统特点与结构展开分析,探究泵站水位、机组开停趋势、温度、实时数据、警报等关键目标的监控。通过长期的运行说明,泵站综合自动化监控系统让少人或是无人值...
断路器操作回路在工程中的应用分析和改进建议
摘要:结合某水电站具体工程案例,通过对PCS-9611C线路保护装置操作回路ZW17-40.5型户外高压真空断路器操作回路连接的完整动作过程分析,提出了在断路器操作把手置于就地且发生故障情况下,不能实现由保护装置动作发出跳闸信号操作断路器及...
基于水中浮式平台的深水裸露基岩钢栈桥施工技术
摘要:基于水中浮式平台对钢管桩进行植桩,有效解决了卵石及裸岩河床中钢栈桥施工难题,确保了桥梁的稳定性和便利性。浮式平台结构简单,浮体结构由标准节组成,可以快速的安装和拆卸,施工便捷。钢护筒通过在定位架设置上、下层调节结构,能够对钢护筒的水平...
建筑深基坑支护技术应用
摘要:以某工程项目为背景,针对项目工程所在地地质状况差,综合四周环境条件及工程地质水文条件,提出采用SMW工法进行支护。通过对监测数据分析可知,SMW工法桩作为基坑支护结构,具有价格低廉、设计方便、施工效果好、效率高等优势。在完成基坑回填以...
沥青路面再生技术在公路养护工程的应用
摘要:沥青路面再生技术的应用大幅度提高了沥青集料的循环利用率,实现了节能环保的理念。在公路工程养护过程中,要结合沥青路面的养护要求和实际情况选择合适的再生技术,提高沥青路面再生技术的适应性,延长公路沥青路面的使用寿命。鉴于此,对沥青路面再生...
长距离引水隧洞底拱混凝土衬砌无轨滑模技术研究
摘要:为了克服水电站施工中,常常遇到的施工工期易滞后、施工成本高、施工质量难控等问题,以某水电站工程为例,设计定制了了无轨滑模三套,实施了无轨滑模技术。实际效果表明,此技术具有施工速度快、成本低、施工操作较为简单灵活、结构设计较简单等优点,...
公路双导梁架桥机施工安全管理控制探讨
摘要:公路工程中的各机械设备对于施工质量与施工安全性有直接影响,为此必须结合施工需求选择合适的施工设备,并在设备使用期间做好相应的安全管理工作。针对公路工程,分析双导梁架桥机的基本使用流程,而后结合设备选型、人员配备、施工应用、应急防护与维...
刚性承台和柔性承台软土桩基沉降计算框架
摘要:为研究软土地基中刚性承台和柔性承台的桩基沉降特性,考虑到软土地基的蠕变效应,基于Burgers模型提出了桩基长期沉降计算程序框架,并结合实际工程案例,对软土地基下的刚性和柔性承台桩基进行了沉降计算。结合实际工程监测数据,验证了程序计算...
桩锚联合支护下边坡变形特征及支护优化分析
摘要:越来越多的公路建设需要穿越潜在不稳定性斜坡体这一不良地质地段,这一特殊地质条件易受人为扰动而发生变形破坏。本文以某公路穿越的粉质黏土含碎石斜坡为研究对象,在收集整理现场工程地质资料的基础上,对斜坡的变形破坏特征及破坏模式进行深入分析;...
湿接缝技术在公路桥梁建设施工中的应用
摘要:在公路桥梁施工过程中,湿接缝施工技术发挥了重要的作用。只有按照该技术相关规范来进行施工,才能更好地提高公路桥梁工程项目质量。基于此,结合多年湿接缝的施工经验,对湿接缝施工技术的作用进行了总结,并从施工准备工作、钢筋加工与安装、模板支护...
后浇带施工技术在东莞横沥医院改建工程中的应用
摘要:为提高后浇带施工技术在建筑工程中应用的可行性,选择将东莞市横沥医院改建工程作为依托,结合该工程的基本情况,开展对后浇带施工技术的相关研究。在明确后浇带布设要求的基础上,设置后浇带,并完成对断面的选取。开展对模板支撑结构的施工,对后浇带...
基于GPS-RTK定位技术在道路改扩建中的应用
摘要:基于GPS-RTK差分定位技术及时反算出作业位置信息,并获取整个道路施工区域的加密控制点静态数据。然后将路面设计参数和数据输入到毫米级GPS流动站,进行道路中心点位布设,实现路网理论桩号、埋设桩号、空间坐标位置X、Y、H三维立体坐标控...
可移动式龙门架进行旧改房屋局部梁板拆除施工技术研究
摘要:基于鹤山职教园区项目教学楼项目,依据环保、节约的原则和为师生创造健康、绿色、节能、舒适、优美的学习生活环境理念,在尽可能节省工程投资、优化结构设计、降低造价的前提下达到功能要求,提高教学用房的采光质量,充分利用原厂房的框架结构,对原有...
邻近高压线岩质边坡静态爆破施工技术
摘要:高速公路建设中,由于临近高压线、建筑物等特殊环境,常常采用静态爆破代替常规炸药爆破。结合关花大道工程实际,详细介绍了临近高压线岩质边坡静态爆破施工技术的应用,并分析总结静态爆破的施工工艺和质量控制措施。实践证明,采用静态爆破不仅能保证...
全玄武岩微表处施工技术在预防性养护中的应用
摘要:采用全玄武岩微表处稀浆混合料进行施工,在阐述微表处技术特点的基础上,从微表处原材料、施工准备、混合料摊铺、质量控制等多方面详细分析,并结合现场施工经验提出微表处施工时需要注意的事项,以提高微表处施工的质量,促进微表处技术在预防性养护中...
相关杂志
  • 中国商论

    中国商论

    2026年06期
    ¥17.49
  • 中外建筑

    中外建筑

    2026年02期
    ¥9.90
  • 河南科技

    河南科技

    2026年06期
    ¥6.00
  • 海洋开发与管理

    海洋开发与管理

    2026年01期
    ¥21.69
  • 计算机应用文摘

    计算机应用文摘

    2026年08期
    ¥9.00
  • 社会科学研究

    社会科学研究

    2026年01期
    ¥9.00
  • 现代信息科技

    现代信息科技

    2026年06期
    ¥18.00
  • 湖南大学学报(社会科学版)

    湖南大学学报(社会科学版)

    2025年06期
    ¥12.00
  • 民主与科学

    民主与科学

    2026年01期
    ¥3.39
  • 中国调味品

    中国调味品

    2026年03期
    ¥0.00
  • 计算技术与自动化

    计算技术与自动化

    2025年04期
    ¥10.89
  • 中国药房

    中国药房

    2026年08期
    ¥9.00
订阅全年后,您可享受以下权益
①该本杂志即日起至未来1年内所有更新电子版杂志的使用权限;
②赠送该杂志的部分往期的杂志的使用权限,有效期1年。

全年订购价格: ¥282.24

订阅全年
--%>

登录龙源期刊网

温馨提示:

1.点击网站右上角的“充值”按钮可以为您的账号充值

2.充值金额可以选择30,50,100或500元

3.充值成功后即可购买网站上的任意杂志或文章

还没有龙源账户? 立即注册

购买杂志

工程机械与维修

杂志价格:¥30.00元

  • 微信扫码支付
  • 当前余额:100.00

购买杂志

工程机械与维修

杂志价格:¥30.00元

  • 微信扫码支付
  • 当前余额:¥100.00

    去充值
monitor
客服机器人