注册帐号丨忘记密码?
1.点击网站首页右上角的“充值”按钮可以为您的帐号充值
2.可选择不同档位的充值金额,充值后按篇按本计费
3.充值成功后即可购买网站上的任意文章或杂志的电子版
4.购买后文章、杂志可在个人中心的订阅/零买找到
5.登陆后可阅读免费专区的精彩内容
打开文本图片集
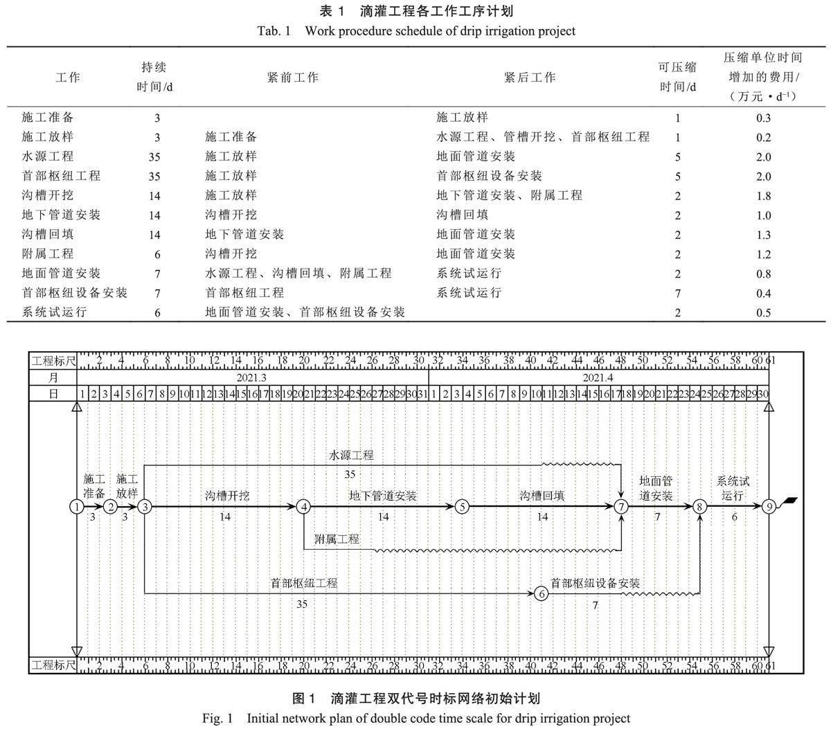
关键词:网络计划;双代号时标网络计划;滴灌工程;优化调整
中图分类号:S277 文献标识码:A 文章编号:2095-1795(2023)05-0087-04
DOI: 10.19998/j.cnki.2095-1795.2023.05.015
0引言
网络计划起源于20世纪50年代的美国杜邦公司,20世纪60年代由我国著名数学家华罗庚引入并创新了统筹法,统筹法是我国网络计划的雏形。(剩余3302字)
登录龙源期刊网
购买文章
双代号时标网络计划技术在滴灌工程施工管理中的应用
文章价格:4.00元
当前余额:100.00
阅读
您目前是文章会员,阅读数共:0篇
剩余阅读数:0篇
阅读有效期:0001/1/1 0:00:00