高铁高墩大跨度现浇预应力混凝土箱梁桥施工技术

打开文本图片集
中图分类号:U445 文献标识码:A
文章编号:2096-6903(2025)12-0013-03
0 引言
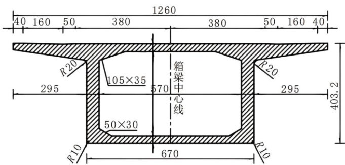
高铁桥梁对平顺性和耐久性要求严苛,跨河段高墩大跨现浇箱梁需解决支架沉降、混凝土裂缝控制及预应力有效传递等难题。现有研究主要聚焦于局部技术优化,如熊华鹏[1提出箱梁内支撑加固技术,但未涉及整体支架体系;马文芳[研究连续梁顶升施工,但荷载条件与简支梁差异显著;孙兆鹏[3]探讨体系转换技术,但对现浇阶段线形控制缺乏数据支撑。(剩余6505字)