波音737NG飞机反推展出故障代码S833/S830浅析

打开文本图片集
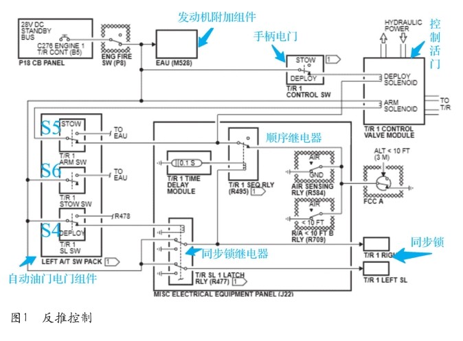
摘要:波音737NG飞机反推系统的故障率较高,FIM手册中的排故说明虽然很全面,但也有一些特例。本文结合FIM手册和反推工作原理,分析了波音737NG飞机反推展出代码S833(左发)或S830(右发)的故障原因,并给出了排故的补充建议。
关键词:反推系统;故障分析;反推展出
Keywords:reverse thrust system;fault diagnosis;reverse thrust deploy
1 故障背景
在日常维护过程中经常发现这么一种现象,反推收放都正常,但是EAU测试有反推展出故障代码S833或S830。(剩余1381字)